Việc biết chính xác kích thước thang máy gia đình sẽ giúp gia chủ lựa chọn đúng sản phẩm, các thông số kỹ thuật phù hợp với quy hoạch xây dựng cũng như nhu cầu sử dụng.
* Thông tin bài viết chỉ mang tính tổng hợp và tham khảo, không phải ý kiến chuyên gia
1. Kích thước thang máy gia đình tiêu chuẩn là bao nhiêu?
Kích thước thang máy được hiểu là các thông số, số đo chính xác của hố thang máy (hay được gọi là giếng thang – shaft elevator) cũng như tổng diện tích của cabin, tương ứng với chiều rộng, chiều sâu và chiều cao của buồng thang. Vậy kích thước thang máy gia đình theo tiêu chuẩn là bao nhiêu?
Thang máy gia đình thường được lắp đặt trong các biệt thự, chung cư mini, khách sạn quy mô nhỏ… Vì vậy, kích thước thang máy gia đình tiêu chuẩn sẽ có diện tích 1500mm x 1500mm, cửa mở rộng 700mm và thông số của cabin như sau: chiều rộng 800mm x chiều sâu 1100mm x chiều cao 21500mm.
Tuy nhiên, kích thước cabin sẽ thay đổi dựa trên mức trọng tải của thang máy. Do vậy, khách hàng cần lưu ý lựa chọn các hố thang phù hợp với quy hoạch thiết kế công trình và mục đích sử dụng.
2. Kích thước thang máy gia đình
Mỗi hãng sản xuất sẽ có những kích thước thang máy gia đình khác nhau ứng với từng mức tải trọng, tuy nhiên, các thông số vẫn đảm bảo không bị chênh lệch quá nhiều, tuân thủ đúng quy định và tiêu chuẩn xây dựng, thiết kế loại hình sản phẩm này.
Kích thước của thang máy với mức tải trọng phù hợp với loại hình căn nhà gồm 200kg, 250kg, 300kg, 350k, 450kg và 500kg.
2.1 Kích thước của thang máy gia đình tải trọng 200kg
- Diện tích hố thang: 1300mm (rộng) x 1100mm (sâu)
- Diện tích cabin: 900mm (rộng) x 600mm (sâu) x 2200mm (cao)
- Diện tích cửa: 600mm (rộng) x 2100mm (cao) – Loại cánh 2 cửa mở về hai phía (CO), tim ở giữa

Kích thước thang máy gia đình nhỏ nhất
Đây là thang máy có tải trọng và diện tích nhỏ nhất, được sử dụng cho những căn nhà có mặt bằng hạn chế. Ngoài ra, thang máy có thế lắp đặt tại nhiều vị trí trong nhà, tùy nhu cầu sử dụng của gia chủ. Mẫu thang máy 200kg có thể tải được từ 1 – 3 người/lượt.
Phương án xây tường 100mm x 100m, cột góc 300mm x 100mm là hợp lý cho loại hình này.
2.2 Kích thước thang máy gia đình tải trọng 250kg
Kích thước tải trọng 250kg sẽ thích hợp để thiết kế cho nhà có diện tích từ 30 – 40m2. Tùy vào quy hoạch đất, gia chủ có thể lựa chọn loại đối trọng sau (đối diện cửa) hoặc đối trọng hông (bên hông cabin).
- Thang máy gia đình 250kg với thiết kế đối trọng sau:
- Diện tích hố thang: 1400mm (rộng) x 1300mm (sâu)
- Diện tích cabin: 1000mm (rộng) x 800mm (sâu) x 2200mm (cao)
- Diện tích cửa: 650mm (rộng) x 2100mm (cao) – Loại cánh 2 cửa mở về hai phía (CO)
- Thang máy gia đình 250kg với thiết kế đối trọng hông:
- Diện tích hố thang: 1600mm (rộng) x 1100mm (sâu)
- Diện tích cabin: 1000mm (rộng) x 800mm (sâu) x 2200mm (cao)
- Diện tích cửa: 750mm (rộng) x 2100mm (cao) – Loại cánh 2 cửa mở về hai phía (CO)
Ưu điểm của phương án này là kích thước cửa được làm rộng hơn so với phương án trên.

2.3 Kích thước thang máy gia đình tải trọng 300kg
Thang máy 300kg là một trong những mức phổ biến trong cả dòng nhập khẩu lẫn các loại cabin được sản xuất trong nước. Loại hình này phù hợp với diện tích từ 30 – 60m2, hướng đến các hộ gia đình có từ 4 – 5 thành viên.
Thiết kế thang 300kg sẽ xây tường xung quanh 220mm, cột vuông góc 220mm x 220mm nhằm tiết kiệm thời gian và công sức thi công. Giống như kích thước trọng tải 250kg, thang may gia đình 300kg cũng có tương tự 2 phương án bố trí đối trọng.
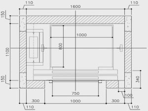
- Thang máy gia đình 300kg với thiết kế đối trọng sau
- Diện tích hố thang: 1500mm (rộng) x 1400mm (sâu)
- Diện tích cabin: 1100mm (rộng) x 900mm (sâu) x 2200mm (cao)
- Diện tích cửa: 700mm (rộng) x 2100mm (cao) – Loại cửa CO

Kích thước thang máy gia đình 300kg đối trọng sau
- Thang máy gia đình 300kg với thiết kế đối trọng hông
- Diện tích hố thang: 1700mm (rộng) x 1200mm (sâu)
- Diện tích cabin: 1100mm (rộng) x 900mm (sâu) x 2200mm (cao)
- Diện tích cửa: 800mm (rộng) x 2100mm (cao) – Loại cửa CO
2.4 Kích thước thang máy gia đình tải trọng 350kg
Thang máy tải trọng 350kg là sản phẩm được dùng nhiều, phổ biến nhất. Loại thang này không chỉ lắp đặt cho nhà ở gia đình mà còn có thể dùng tại chung cư mini, tòa nhà cho thuê với diện tích nhỏ.
- Diện tích hố thang: 1500mm (rộng) x 1500mm (sâu)
- Diện tích cabin: 1100mm (rộng) x 1000mm (sâu) x 2200mm (cao)
- Diện tích cửa: 700mm (rộng) x 2100mm (cao)

Kích thước thang máy gia đình 350kg
Chế tạo và lắp đặt đối trọng sau cho hố thang 350kg là phương án phù hợp nhất. Đối trọng hông cho lối thiết kế thang này sẽ không thể thay đổi tải trọng dễ dàng, phải dỡ bỏ tất cả nếu gia chủ muốn làm cabin sâu hơn.
Kích thước này có thể lắp đặt hầu hết các loại thang máy. Đặc biệt, với các công tình nhỏ hẹp, thang máy 350kg kết hợp cùng khung vỏ thép là lựa chọn lý tưởng, có thể tiết kiệm từ 12 đến 15cm mỗi chiều, giúp tối ưu kích thước hố thang cũng như diện tích xây dựng.
2.5 Kích thước thang máy gia đình tải trọng 450kg
Thang 450kg thường được sử dụng cho các tòa nhà văn phòng, chung cư mini, khách sạn có quy mô nhỏ, có thể vận chuyển được 6 – 7 người/ lượt, giúp tối ưu thời gian di chuyển. Tuy nhiên, kích thước của thang máy gia đình này cũng có thể được lắp cho nhà ở gia đình với trường hợp:
- Diện tích: 50 – 80m2
- Loại hình: nhà ở kết hợp với cho thuê
- Đặc điểm: thường xuyên chở đồ cồng kềnh, có người khuyết tật dùng phương tiện hỗ trợ – xe lăn
Đây là thang máy có phương án thiết kế nhiều nhất, cụ thể như sau:
- Thang máy gia đình 450kg với thiết kế đối trọng sau – hố rộng:
- Diện tích hố thang: 1800mm (rộng) x 1500mm (sâu)
- Diện tích cabin: 1400mm (rộng) x 1000mm (sâu) x 2200mm (cao)
- Diện tích cửa: 800mm (rộng) x 2100mm (cao)
- Thang máy gia đình 450kg với thiết kế đối trọng sau – hố hẹp:
Phương án này sẽ thích hợp với những công trình có chiều rộng hố hạn chế, chiều sâu thoải mái hơn.
- Diện tích hố thang: 1500mm (rộng) x 1800mm (sâu)
- Diện tích cabin: 1100mm (rộng) x 1300mm (sâu) x 2200mm (cao)
- Diện tích cửa: 700mm (rộng) x 2100mm (cao)
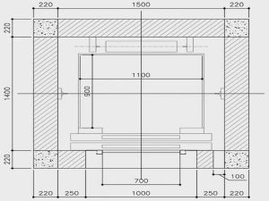
- Thang máy gia đình 450kg với thiết kế đối trọng hông:
- Diện tích hố thang: 2000mm (rộng) x 1300mm (sâu)
- Diện tích cabin: 1400mm (rộng) x 1000mm (sâu) x 2200mm (cao)
- Diện tích cửa: 800mm (rộng) x 2100mm (cao)

Kích thước thang máy gia đình 450kg đối trọng hông
- Kích thước thang máy gia đình tải trọng 500kg
- Diện tích hố thang: 1800mm (rộng) x 1600mm (sâu)
- Diện tích cabin: 1400mm (rộng) x 1000mm (sâu) x 2200mm (cao)
- Diện tích cửa: 800mm (rộng) x 2100mm (cao)
- Tải trọng: 7 người/lượt
>>> Có thể bạn quan tâm: Mẫu trần thạch cao đẹp, hiện đại được ưa chuộng nhất
Thông số tiêu chuẩn của hố pit thang máy gia đình
Thông tin chung về hố pit thang máy gia đình:
- Chiều sâu của hố pit sẽ tương ứng với từng loại tải trọng và loại thang quy định. Hố pit phải sâu tối thiểu 700mm và cần chống thấm nước trước khi khoan 100mm
- Hố pit cần đảm bảo luôn trong tình trạng khô ráo
- Lắp đặt xong thang máy cần hoàn thiện phần sàn và tường xung quanh các cửa thang máy
- Các khoảng giữa tầng cần xây dựng hệ thống đà linteau 3 mặt hố
- Mỗi cửa làm đà lăng tô cửa, làm đà kiềng ba mặt bên vách hố
- Thiết kế cầu thang xuống pit
- Thông số tiêu chuẩn:
- Chiều sâu: 1000mm (tối tiểu 550mm với mức tải trọng 200kg, 250kg, 300kg, 350kg, và 800m với 450kg)
- Chiều cao đà linteau: 2300mm
- Chiều cao OH ( kích thước từ sàn cửa thang máy đến móc treo hố thang): phòng có thang 3500mm và phòng không thang 4000mm
- Chiều cao phòng kỹ thuật: 1500mm
Những điều cần lưu ý khi lựa chọn kích thước hố thang máy của gia đình
- Kích thước thang máy (hay còn được gọi là kích thước lọt lòng) là yếu tố vô cùng quan trọng trong việc thiết kế, lắp đặt. Tùy vào từng loại thang và mức tải trọng mà sẽ có những thông số kích thước khác nhau.
- Lựa chọn kích thước phù hợp với nhu cầu sử dụng, sử dụng phương án thi công tối ưu nhất.
Tất cả kích thước thang máy đều có những con số khác nhau theo tiêu chuẩn riêng của mỗi nhà sản xuất. Vì vậy, trước khi lắp đặt, gia chủ nên tìm hiểu kỹ về kích thước thang máy gia đình và các thông số liên quan nhằm đưa ra lựa chọn loại thang sáng suốt, đúng đắn và phù hợp nhất.
MỌI THÔNG TIN CẦN TƯ VẤN XIN LIÊN HỆ:
CÔNG TY TNHH THANG MÁY VÀ XÂY DỰNG FUJITEK
Địa chỉ: Tầng 8, tòa nhà AC, số 3 ngõ 78 Duy Tân, Cầu Giấy, Hà Nội
Hotline: 0965.132.679
* Thông tin bài viết chỉ mang tính tổng hợp và tham khảo, không phải ý kiến chuyên gia
